PRODUCT CENTER
產品中心
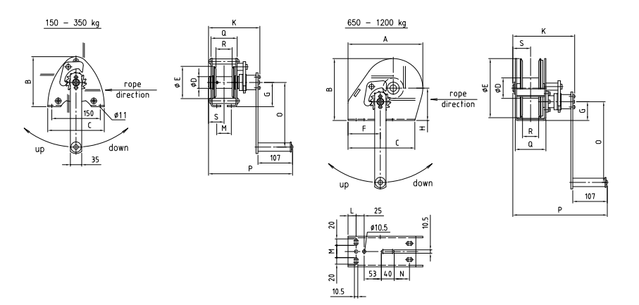
鋼絲繩絞車 SW-K-LB
發布日期:2020-05-26
繩索絞車 SW-K-LB,最初開發為車輛絞車,現在用來提升和拉許多困難的負載。它有兩種設計,"鍍鋅"和"不銹鋼"。
鍍鋅設計的設備和加工:
?承載負載 150 ~ 1200 kg
? 堅固耐用的鋼板外殼,重量輕
? 平穩運行的馬刺齒輪
? 附加的負載壓力制動器可安全地將負載固定在任何位置
? 所有零件鍍鋅,繩鼓額外涂層增加防腐保護 (KTL)
? 簡單快捷的控制臺附件
? 可選:展開自動,用于快速手動拉出卸載繩索
不銹鋼設計的設備和加工
? 承載負載 250 ~ 900 kg
? 高品質不銹鋼設計 V2A 的所有部件
? 堅固耐用的鋼板外殼,重量輕
? 平穩運行的馬刺齒輪
? 附加的負載壓力制動器可安全地將負載固定在任何位置
? 繩索滾筒還涂有 KTL
? 簡單快捷的控制臺附件

Equipment and processing of the stainless steel design
Equipmen
t and processing of the stainless steel design
